二、填空题(每空1分,共9分)
1. 课堂上老师讲课的声音是由声带的 产生的,它是通过 传入我们耳中的。我们能分辨出不同老师的声音,这主要是因为他们各人发出声音的 不同。
2. 如图8为双缝干涉的实验示意图,若要使干涉条纹间距变大可改用波长更 (填:长,短)的单色光;或者使双缝与光屏之间的距离 (填:增大,减小)。

3. "嫦娥一号"探月卫星在距月球表面200km高度经过多次"刹车制动",最终绕月球做匀速圆周运动。卫星"刹车制动"时,沿运动方向喷射高温气体,高温气体对卫星施加制动力,这说明力的作用是 的。在绕月球做匀速圆周运动时,卫星的运动状态 (选填"改变"或"不变")。卫星通过 (选填"超声波"或"电磁波")将探测到的信息传到地面。
三、作图题(每小题4分,共12分)
1. 作出图9中物体AB在平面镜MN中成的像A′B′。

2. 图10中给出几个元件,在图上用笔画线代替导线,把电路元件连接起来。要求L1与L2并联,且滑动变阻器控制通过L1的电流,S是总开关。(连线不交叉)
3. 标出图11中的磁感线方向和小磁针的N、S极。
四、实验与探究题(共14分)
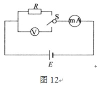
1. 图12中电源电动势为E,内阻可忽略不计;电流表
具有一定的内阻,电压表
的内阻不是无限大,S为单刀双掷开关,R为待测电阻。当S向电压表一侧闭合时,电压表读数为U1,电流表读数为I1;当S向R一侧闭合时,电流表读数为I2。

(1)根据已知条件与测量数据,可以得出待测电阻R= 。
(2)根据图12所给出的电路,在图13的各器件实物图之间画出连接的导线。

2. (7分)某同学和你一起探究弹力和弹簧伸长的关系,并测弹簧的劲度系数k。做法是先将待测弹簧的一端固定在铁架台上,然后将最小刻度是毫米的刻度尺竖直放在弹簧一侧,并使弹簧另一端的指针恰好落在刻度尺上。当弹簧自然下垂时,指针指示的刻度数值记作L0,弹簧下端挂一个50g的砝码时,指针指示的刻度数值记作L1;弹簧下端挂两个50g的砝码时,指针指示的刻度数值记作L2;……;挂七个50g的砝码时,指针指示的刻度数值记作L7。
(1)下表记录的是该同学已测出的6个值,其中有两个数值在记录时有误,它们的代表符号分别是_______和__________。
测量记录表:
|
代表符号 |
L0 |
L1 |
L2 |
L3 |
L4 |
L5 |
L6 |
L7 |
|
刻度数值/cm |
1.70 |
3.40 |
5.10 |
|
8.50 |
11.30 |
2.10 |
|

(2)实验中,L3和L7两个值还没有测定,请你根据图14将这两个测量值填入记录表中。
(3)为充分利用测量数据,该同学将所测得的数值按如下方法逐一求差,分别计算出了三个差值:
请你给出第四个差值:d4 = =cm。
(4)根据以上差值,可以求出每增加50g砝码的弹簧平均伸长量ΔL。ΔL用d1、d2、d3、d4表示的式子为:ΔL= ,代入数据解得ΔL= cm。
(5)计算弹簧的劲度系数k= N/m。(g取9.8m/s2)
3. (3分)在用焦距为10cm的凸透镜来探究成像规律的实验中,
(1)如图15所示,将蜡烛、凸透镜、光屏依次放在光具座上。点燃蜡烛后,调节凸透镜和光屏的高度,使它们的中心与烛焰中心大致在同一高度。其目的是使像成在_________。

(2)当烛焰距凸透镜15cm时,移动光屏,可在光屏上得到一个清晰的、倒立的、 (选填"放大"或"缩小")的实像。
(3)把图中的凸透镜看作眼睛的晶状体,光屏看作视网膜。给"眼睛"戴上远视眼镜,使烛焰在"视网膜"上成一清晰的像。若取下远视眼镜,为使光屏上得到清晰的像,应将光屏 (选填"远离"或"靠近")透镜。
五、计算题(每小题10分,共20分)
1. 如图16所示,水平地面上静止放置着物块B和C,相距l=1.0m物块A以速度v0=10m/s沿水平方向与B正碰,碰撞后A和B牢固粘在一起向右运动,并再与C发生正碰,碰后瞬间C的速度v=20m/s,已知A和B的质量均为m。C的质量为A质量的k倍,物块与地面的动摩擦因数μ=0.45(设碰撞时间很短,g取10m/s2)

(1)计算与C碰撞前瞬间AB的速度;
(2)根据AB与C的碰撞过程分析k 的取值范围,并讨论与C碰撞后AB的可能运动方向。
2. 已知O、A、B、C为同一直线上的四点,AB间的距离为l1,BC间的距离为l2。一物体自O点由静止出发,沿此直线做匀加速运动,依次经过A、B、C三点。已知物体通过AB段与BC段所用的时间相等。求O与A的距离。
六、简答题(10分)
为什么教育有相对的独立性?表现在哪几个方面,并分别举例说明。
七、教学分析题(15分)
基于网络环境的课堂教学是培养学生自主学习能力和创新思维与创新精神的重要方式之一,以《平抛物体的运动》一课为例,系统分析在网络环境下进行高中物理教学的过程,并总结出实验取得的成果和存在的问题,为网络环境下开展各学科教学提供借鉴。
上一页 [1] [2] [3] [4] 下一页