招生考试网
学历类| 阳光高考 美术高考 研究生 自考 成人高考 专升本 中考会考 外语类| 四 六 级 职称英语 商务英语 公共英语 日语能力
资格类| 公 务 员 报 关 员 银行从业 司法考试 导 游 证 教师资格 财会类| 会 计 证 经 济 师 会计职称 注册会计 税 务 师
工程类| 一级建造 二级建造 造 价 师 造 价 员 咨 询 师 监 理 师 医学类| 卫生资格 执业医师 执业药师 执业护士 国际护士
计算机| 等级考试 软件水平 应用能力 其它类| 论文 驾照考试 书法等级 少儿英语 报检员 单证员 教案 专题 考试资讯 文档
 3773考试网 - 中考网 - 各省中考 - 重庆中考 - 正文

2013重庆中考物理试题A卷答案

来源:3773中考 2013-6-19 10:15:52

重庆市2013年初中毕业暨高中招生考试
物理试题(A卷)

(全卷共四个大题,满分80分与化学共用120分钟)全卷取g=10N/kg。

一、选择题(本题共8个小题,每小题只有一个选项符合题意,每小题3分,共24分。)
1.同学们通过学习物理养成了关注生活和社会的良好习惯,对下列物理量的估测中,你认为最接近实际的是(      )
A.教室课桌的高度约为80cm    B.正常人l min脉膊的次数约为10次
C.重庆夏天最高气温约为70℃    D.教室里一盏日光灯的功率约为1000W
2.在图l所示的光现象中,属于光的直线传播的是(      )
\

A.铅笔在水面处“折断”  B.树林中的阳光  C.平面镜中的陶罐  D.水中树的“倒影”
3.如图2所示,自然界中的物态变化让我们领略了许多美妙景色,下列说法中正确的是(      )
\
A.轻柔的雪是升华现象 B.凝重的霜是凝华现象 C.晶莹的露是熔化现象 D.飘渺的雾是汽化现象
4.一根锰铜线的电阻为R,要使这根连人电路的导线电阻变小,可采用的方法是(      )
A.减小导线两端的电压           B.增大导线中的电流
C.将导线对折后连入电路         D.将导线拉长后连入电路
5.在图3所示的四种情景中,说法正确的是(      )
\
A.拉小车                    B.划木筏            C.提水桶         D.拉弹簧
A.小车受力被拉动后惯性增大                      B.使木筏运动的力的施力物是人\
C.水桶提得越高,它具有的重力势能就越小          D.弹簧被拉长说明力可以使物体发生形变
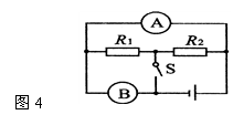
6.在图4所示的电路中,当开关S闭合后(      )
A.若A表是电流表,B表是电压表,则电阻R1、R2并联
B.若A表是电流表,B表是电压表,则电阻R1、R2串联
C.若A表是电压表,B表是电流表,则电阻R1、R2并联
D.若A表是电压表,B表是电流表,则电阻R1、R2串联       
7.小明利用图5所示的装置探究滑轮组的特点,他将重为3 N的物体匀速提高了0.5 m,已知绳子自由端的拉力F为2N,则绳端移动的距离s及提起重物时滑轮组的机械效率是(      )
A.s=1.5 m,η=50%   B.s=1.5 m ,η=80%   C.s=l m,η=75%    D.s=lm, η=37.5%
\
8.在图6所示的电路中,电源电压U保持不变,定值电阻R=20Ω。闭合开关s,当滑动变阻器R’的滑片P在中点c时,电流表示数为0.4A,当移动滑片P至最右端时,电流表示数为0.3 A。则电源电压U与滑动变阻器R’的最大阻值为
A.6V  10Ω      B.6V   20Ω     C.12V   20Ω     D.12V   40Ω


>>点击下载完整版试题及答案

 


  • 上一个文章:
  •  


    | 关于我们 | 联系我们 | 版权申明 | 网站导航 |
    琼ICP备12003406号