招生考试网
学历类| 阳光高考 美术高考 研究生 自考 成人高考 专升本 中考会考 外语类| 四 六 级 职称英语 商务英语 公共英语 日语能力
资格类| 公 务 员 报 关 员 银行从业 司法考试 导 游 证 教师资格 财会类| 会 计 证 经 济 师 会计职称 注册会计 税 务 师
工程类| 一级建造 二级建造 造 价 师 造 价 员 咨 询 师 监 理 师 医学类| 卫生资格 执业医师 执业药师 执业护士 国际护士
计算机| 等级考试 软件水平 应用能力 其它类| 论文 驾照考试 书法等级 少儿英语 报检员 单证员 教案 专题 考试资讯 文档
 3773考试网 - 中考网 - 各省中考 - 辽宁中考 - 大连中考 - 正文

大连市2013年中考物理试题及答案

来源:3773中考 2013-7-6 14:30:09

2012年辽宁省大连市中考物理

一、选择题(本题共14小题,每小题2分,共28分)

注意:第1~11题中,每题只有一个选项正确。

1.(2012大连)手拨动琴弦,发出悦耳的声音,发声的物体是
A.手指 B.琴弦 C.弦柱 D.空气
2.(2012大连)下列光现象中,是由于光的反射形成的是
A.从水面上看到水中的“鱼”   B.用放大镜看到放大的“字”
C.路灯下人在地面上的“影子”  D.在平面镜前看到镜中的“自己”
3.(2012大连)下列做法中,符合安全用电要求的是
A.雷雨天在大树下避雨   B.用湿抹布擦正在发光的灯泡
C.发生触电事故时,先切断电源  D.使用试电笔时,手接触金属笔尖
4.(2012大连)下列做法中,能减小摩擦的是
A.饮料瓶盖上刻有条形花纹  B.在汽车轮治上装防滑链
C.往冰雪路面上撒煤渣   D.往门轴中加润滑油
5.(2012大连)下列温度中,约在36~37℃之间的是
A.人的正常体温   B.标准大气压下沸水的温度
C.冰箱冷藏室的温度   D.人感觉舒适的环境的温度
6.(2012大连)下列光路图中,正确表示了光从空气进入水中的是\
7.(2012大连)静止在水平桌面上的书,受到的平衡力是
A.书的重力和书对桌子的压力
B.书对桌子的压力和桌子的重力
C.书的重力和桌子对书的支持力
D.书对桌子的压力和桌子对书的支持力
8.(2012大连)如图所示,垂直于金属导轨放置的导体棒ab置于蹄形磁铁的磁场中,闭合开关后,导体棒ab沿\
导轨运动。根据这个实验的原理,可以制成\
A.发电机 B.电动机  C.电磁铁 D.电磁继电器
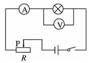
9.(2012大连)如图所示的电路中,闭合开关,灯泡L不发光,电流表示无示数,电压表有示数。若电路中只有一处故障,则可能是
A.灯泡L短路 B.灯泡L断路 C.电阻R短路 D.电阻R断路

10.(2012大连)小明在探究“水降温时温度与时间的关系”的实验中,记录的实验数据如下表。根据表中信息可得出“水降温时温度随时间增加降低得越来越慢”的结论,则从表中提取的能得出该结论的信息是
\
A.温度与时间成反比
B.时间变化,温度也变化
C.时间逐渐增加,温度逐渐降低
D.时间的增加量相等,温度的降低量越来越小
1.(2012大连)如图3所示,把铁块放在空容器中,沿容器壁缓慢向容器中加水至虚线处。加水过程中,铁块受到浮力。则在加水的全过程中,容器底对铁块的支持力F与时间t的关系图像是
\


>>点击下载完整版试题及答案

 


  • 上一个文章:
  •  


    | 关于我们 | 联系我们 | 版权申明 | 网站导航 |
    琼ICP备12003406号