招生考试网
学历类| 阳光高考 美术高考 研究生 自考 成人高考 专升本 中考会考 外语类| 四 六 级 职称英语 商务英语 公共英语 日语能力
资格类| 公 务 员 报 关 员 银行从业 司法考试 导 游 证 教师资格 财会类| 会 计 证 经 济 师 会计职称 注册会计 税 务 师
工程类| 一级建造 二级建造 造 价 师 造 价 员 咨 询 师 监 理 师 医学类| 卫生资格 执业医师 执业药师 执业护士 国际护士
计算机| 等级考试 软件水平 应用能力 其它类| 论文 驾照考试 书法等级 少儿英语 报检员 单证员 教案 专题 考试资讯 文档
 3773考试网 - 中考网 - 模拟题答案 - 物理 - 正文

2013上海浦东中考二模物理试题

来源:2exam.com 2013-4-17 21:50:25

浦东新区2013年中考预测
理化试卷
(满分150分,考试时间100分钟)
物  理  部  分
考生注意:
1.本试卷物理部分含五个大题。
2.答题时,考生务必按答题要求在答题纸规定的位置上作答,在草稿纸、本试卷上答题一律无效。

一、选择题(共16分)
下列各题均只有一个正确选项,请将正确选项的代号用2B铅笔填涂在答题纸的相应位置上,更改答案时,用橡皮擦去,重新填涂。
1.家用白炽灯正常工作时的电功率最接近
A.1000瓦 B.400瓦 C.40瓦 D.1瓦
2.原子中不带电的粒子是
A.原子核 B.质子 C.电子 D.中子
3.口技是民间表演技艺,演员表演时主要模仿声音的
A.音色 B.音调 C.响度 D.振幅
4.当物体的状态改变时,下列物理量中不发生改变的是
A.质量 B.比热 C.密度 D.电阻
5.图1(a)、(b)、(c)、(d)中的情景表示了力的作用效果,其中主要表示力能使物体的运动状态发生改变的是
\

6.重为G的小球,在大小为F的拉力作用下竖直向上运动,则小球所受到合力大小一定为(不计空气阻力)
A.G+F B.F-G C.G D.0
\
7.PQ两点相距3.6米,甲、乙两小车同时由P点向Q点沿直线运动,它们的s-t图像如图2所示三条线中的两条,两车先后经过PQ间中点的时间间隔大于2秒,则到达Q点的时间间隔
A.一定为5秒
B.可能为3秒
C.不可能大于8秒
D.不可能小于6秒
8.如图3所示电路中电键S闭合后,只有一个电表指针发生偏转,故障可能出现在电阻R、灯L上,则下列判断中正确的是\
A.若L不发光,则L一定无故障
B.若L不发光,则L一定有故障
C.若L发光,则R一定无故障
D.若L发光,则R一定有故障

二、填空题(共26分)
请将结果填入答题纸的相应位置。
9.家中电视机正常工作时的电压为  (1)  伏,消耗的是  (2)  能,它与家中其它用电器是  (3)  连接的。
\
10.地球是围绕  (4)  运转的天体,当某近地小行星接近地球时,若以地球为参照物,小行星是  (5)  (选填“静止”或“运动”)的;若小行星闯入地球大气层,其表面会与空气发生剧烈摩擦而产生高温,这是通过  (6)  方式增加了它的内能。
11.如图4所示,是某汽车发动机工作时的一个冲程,该冲程是  (7)  冲程,汽车所用的汽油是一种  (8)  (选填“可再生”、“非再生”)能源;当发动机停止工作后,汽车由于  (9)  仍将滑行一段距离。
12.某物体漂浮在水面上,排开水的体积为2×10-4米3,该物体受到的浮力为  (10)  牛,物体所受的重为  (11)  牛;水面下0.2米深处的水的压强为  (12)  帕。
13.如图5所示,使用(a)图中滑轮的优点是可以     (13)     ;物体B的重力为100牛,若不计滑轮重及摩擦,当用拉力FB匀速提升物体B时,力FB的大小为  (14)  牛,在此过程中物体B的机械能  (15)  (选填“变大”、“不变”或“变小”)。

14.某导体两端的电压为6伏,通过它的电流为0.3安,则在20秒内通过导体横截面的电荷量为  (16)  库,电流做的功为  (17)  焦;当该导体两端的电压减小为3伏时,通过该导体的电流为  (18)  安。
15.如图6所示,边长分别为a、b的实心正方体甲、乙分别放在水平地面上,它们对地面的压强均为p,则甲物体的质量  (19)  (选填“大于”、“等于”或“小于”)乙物体的质量。若在两正方体上部沿水平方向切去体积均为V的部分后,两正方体对地面压强的变化量之比Δp甲:Δp乙为  (20)  。
16.为了研究使用斜面匀速提升物体时的拉力大小,先用弹簧测力计拉着小车沿竖直方向匀速运动,如图7(a)所示;又拉着同一个小车沿不同倾斜角度的光滑斜面匀速向上运动,几次实验如图7(b)、(c)、(d)所示。请仔细观察图中的操作和测量结果,然后归纳得出初步结论。





①分析比较图(a)与(b)或(a)与(c)或(a)与(d)可得:               (21)               ;
②分析比较图(b)与(c)与(d)可得:                     (22)                     。

三、作图题(共6分)
请将图直接画在答题纸的相应位置,作图题必须使用2B铅笔。
17.请根据平面镜成像特点,在图8中画出物体AB在平面镜MN中所成的像A¢B¢。
18.如图9所示,根据磁感线的方向,标出通电螺线管和小磁针的N、S极及电源的正、负极。
\



四、计算题(共24分)
请将计算过程和答案写入答题纸的相应位置。
19.将2千克水加热,使水的温度升高50℃,求水吸收的热量。【C水=4.2×103焦/(千克•℃)】


20.放在水平地面上的物体在20牛的水平拉力作用下,5秒钟内移动了8米的距离,求拉力做的功和功率。


21.水平地面上有一个质量为1千克、底面积为2×10-2米2的薄壁圆柱形容器,容器内盛有体积为5×10-3米3的水。
① 求容器中水的质量。
② 求容器对地面的压强。
③ 现将一质量为0.2千克的物块浸在水中,求容器对水平地面压强的最大增加量。


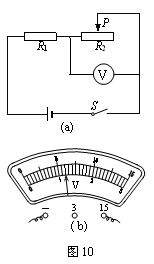
22.如图10(a)所示的电路中,电源电压为18伏且保持不变,滑动变阻器R2上标有“20Ω  1A”字样,R1的阻值为30欧。闭合电键,电压表的示数如图10(b)所示,求:\
①此时通过电阻R1的电流;
②此时电流通过滑动变阻器所消耗的电功率;
③现有阻值分别为10欧、15欧、20欧的定值电阻,从中选择一个替换R1,要求选择合适的量程,在移动滑动变阻器滑片P的过程中,电路能正常工作,且能够使电压表V指针转动的角度最大。请通过计算说明所选择的电阻是________,电压表示数的变化范围是________。若用另一阻值略大于30欧的电阻来替换原30欧的电阻R1,在移动滑片的过程中电压表示数的最大变化量将______(选填“变大”、“不变”或“变小”)。


五、实验题(共18分)
请根据要求在答题纸的相应位置作答。
23.如图11(a)所示的仪器是   (1)   的表盘,此时该仪器的示数为   (2)   ;如图11(b)所示的仪器名称为   (3)   ,它的计量单位是   (4)   。
\



24.在“测定物质密度”的实验中,小宝填写的实验报告(部分)如下,请完成空格处的内容。

\








25.在“测定小灯泡的电功率”实验中,按实验要求提供了两套器材,其中电源电压恒定且相等,滑动变阻器分别标有“20Ω  2A”、“10Ω  2A”字样,小灯分别标有“2.4V”、“3.6V”字样。小宝和小明各选一套器材进行实验,发现两小灯正常发光时电压表与电流表的示数恰好都相同,电流表的示数均为0.50安,但小明所测小灯比小宝所测的暗;此时,小宝电路中的滑片恰好在滑动变阻器的中点附近。
①根据题中的信息        (9)        可判断:小明所用的小灯标有“2.4V”字样;
②他们所用电源的电压值为   (10)   伏; 
③   (11)   同学选用的滑动变阻器标有“20Ω  2A”字样;
④小明同学所测小灯的额定功率为   (12)   瓦。

26.小张同学在学习了“凸透镜成像规律”以后,又继续“研究像高与哪些因素有关”。于是他在实验室选用焦距为5厘米、10厘米、15厘米的凸透镜,高度为4厘米、6厘米、8厘米的发光物体及相应的实验器材进行正确实验,将收集到有关数据记录在表一、表二中。
表一  f =10厘米     物高8厘米
实验序号 物距u(厘米) 像距v(厘米) 像高(厘米)
1 50 12.5 2
2 30 15 4
3 18 22.5 10
4 16 26.7 13.3
5 15 30 16

表二   f =10厘米     物高6厘米
实验序号 物距u(厘米) 像距v(厘米) 像高(厘米)
6 30 15.0 3.0
7 25 16.7 4.0
8 18 22.5 7.5
9 15 30.0 12.0
10 6    
①分析比较表一或表二中的物距u与像高的变化关系,可得出的初步结论是:物体在同一凸透镜中成实像时,           (13)           。
②分析比较实验序号           (14)           中的物距、物高和像高的数据及相关条件,可得出的初步结论是:物体在同一凸透镜中成实像时,物距相同,物体越高,像就越高。
小张在表二中尚有部分数据没有填写,若有可能请你帮他填写完整;若不能,请写出不能填写的理由。           (15)           
表三   f =  (16)  厘米     物高  (17)  厘米
实验序号 物距u(厘米) 像距v(厘米) 像高(厘米)
11   (18)   / /
12   (19)   / /
13   (20)   / /
为了结论更具有普遍性,小张认为还需进一步进行实验,请在表三中填入拟进行实验的数据,以完成他的研究目的


  • 上一个文章:
  • 推荐文章
  • 此栏目下没有推荐文章
  •  


    | 关于我们 | 联系我们 | 版权申明 | 网站导航 |
    琼ICP备12003406号