招生考试网
学历类| 阳光高考 研 究 生 自学考试 成人高考 专 升 本 中考会考 外语类| 四 六 级 职称英语 商务英语 公共英语 日语能力
资格类| 公 务 员 报 关 员 银行从业 司法考试 导 游 证 教师资格 财会类| 会 计 证 经 济 师 会计职称 注册会计 税 务 师
工程类| 一级建造 二级建造 造 价 师 造 价 员 咨 询 师 监 理 师 医学类| 卫生资格 执业医师 执业药师 执业护士 国际护士
计算机| 等级考试 软件水平 应用能力 其它类| 书画等级 美国高考 驾 驶 员 书法等级 少儿英语 报 检 员 单 证 员 出国留学
 招生考试网 - 自学考试 - 自考真题 - 正文
全国2010年1月高等教育自学考试电力系统分析试题
来源:fjzsksw.com 2010-3-10 13:14:29 【字体:小 大】

二、填空题(本大题共10小题,每小题1分,共10分)
请在每小题的空格中填上正确答案。错填、不填均无分。

21.潮流计算中,电压约束条件Uimin≤Ui≤Uimax是为了保证________。
22.三相架空输电线导线间采用循环换位的目的是________。
23.中枢点的调压方式可以分为三类:顺调压、逆调压和________。
24.简单电力系统发生三相短路故障,其零序电流的大小为________。
25.潮流计算中,PV节点待求的物理量是该节点的无功功率Q和________。
26.电力系统电压中枢点是指________。
27.若简单系统的功率极限的标幺值为1.5;目前输送的功率的标幺值为1.0,此时的静态稳定储备系数为________。
28.衡量电能质量的三个指标有电压大小、频率和________。
29.降压变压器将330kV和220kV电压等级的线路相连,其一、二次侧绕组额定电压应为________。
30.将变电所母线上所连线路对地电纳中无功功率的一半也并入等值负荷中,则称之为________。

三、简答题(本大题共4小题,每小题5分,共20分)
31.利用计算机进行潮流计算时,各类节点所占的数量如何?
32.简要说明常见的电力系统的调压措施。
33.试绘制出发电机q(交)轴次暂态电抗x″q的等值电路。
34.在采用电气制动提高系统暂态稳定性时,需合理选择制动电阻大小和投切时间,为什么?

四、计算题(本大题共4小题,每小题7分,共28分)
35.求图示网络等值电路及参数,并写出其导纳阵。
全国2010年1月高等教育自学考试电力系统分析试题
36.计算下图所示简单环网的初步功率分布,并找出无功功率分点。
全国2010年1月高等教育自学考试电力系统分析试题
37.当系统A独立运行时,负荷增加60MW,频率下降0.1Hz;当系统B独立运行时,负荷增加90MW,频率下降0.12Hz。两系统联合运行时频率为50Hz,联络线上的功率PAB=40MW,此时,若将联络线断开,求A、B两系统的频率各为多少?
38.某火电厂有两台机组容量均为50MW,最小技术出力均为12MW,耗量特性分别为F1=0.01全国2010年1月高等教育自学考试电力系统分析试题+1.2P1+10(t/h);F2=0.02全国2010年1月高等教育自学考试电力系统分析试题 +P2+12(t/h),求负荷分别为15MW和80MW时,如何运行最经济?

五、综合计算题(本大题共2小题,每小题11分,共22分)
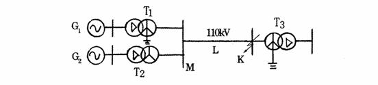
39.下图所示网络中,线路L长为100km,正序电抗x1=0.4Ω/km,零序电抗x0=3x1;发电机G1、G2相同,SN=15MVA,x″d=0.125,正序电抗等于负序电抗;变压器T1、T2、T3相同,SN=15MVA,UK%=10。
(1)计算当K点发生两相短路接地时,短路点的短路电流。
(2)求T2中性点电压。
全国2010年1月高等教育自学考试电力系统分析试题
40.某系统等值电路如图所示,归算至同一基准值的元件标幺值参数标于图中,正常运行时发电机向无限大系统输送功率P0=1.0,功角全国2010年1月高等教育自学考试电力系统分析试题= 全国2010年1月高等教育自学考试电力系统分析试题0,当K点三相短路后,发电机转子又转过55°,即转子与无限大系统夹角全国2010年1月高等教育自学考试电力系统分析试题=全国2010年1月高等教育自学考试电力系统分析试题0+55°,此时保护动作切除故障,问系统是否能维持暂态稳定?考试大收集整理
全国2010年1月高等教育自学考试电力系统分析试题

网站版权与免责声明
①由于各方面情况的不断调整与变化,本网所提供的相关信息请以权威部门公布的正式信息为准.
②本网转载的文/图等稿件出于非商业性目的,如转载稿涉及版权等问题,请在两周内来电联系.