招生考试网
学历类| 阳光高考 美术高考 研究生 自考 成人高考 专升本 中考会考 外语类| 四 六 级 职称英语 商务英语 公共英语 日语能力
资格类| 公 务 员 报 关 员 银行从业 司法考试 导 游 证 教师资格 财会类| 会 计 证 经 济 师 会计职称 注册会计 税 务 师
工程类| 一级建造 二级建造 造 价 师 造 价 员 咨 询 师 监 理 师 医学类| 卫生资格 执业医师 执业药师 执业护士 国际护士
计算机| 等级考试 软件水平 应用能力 其它类| 论文 驾照考试 书法等级 少儿英语 报检员 单证员 教案 专题 考试资讯 文档
 3773考试网 - 中考网 - 福建中考 - 福州中考 - 正文

2013福州中考质检物理试题及答案

来源:2exam.com 2013-4-17 21:45:01

福州2013年初中毕业班物理模拟试题及答案

(全卷五大题,31小题,满分:100分; 考试时间:90分钟)
友情提示:请把所有答案填在答题卡上!本卷g取10N/Kg
一、选择题(本大题有14小题,每小题2分,共28分。每小题只有一个选项正确)
1.蛇年春晚,席琳迪翁用中文和宋祖英献唱《茉莉花》。下列有关的说法中,不正确的是
A.她们演唱时声带在振动              B.我们根据她们音色的不同,能分辨谁正在演唱 
C 宋祖英轻声伴唱时,她声音的音调低  D席琳迪翁放声歌唱,她声音的响度大。
\2.如图1,2012年6月16日,神舟九号与“天宫一号”飞行器载人交会对接成功。下面说法正确的是
A.神舟九号相对于天宫一号是静止的,相对于太阳也是静止的
B.航天员带到天宫一号内的物体的质量小于其在地面上时的质量
C.在天宫一号内,航天员可以直接进行语言交流,是因为声音可以在真空中传播
D.航天员和地面控制中心之间的信息是靠电磁波传递的      
3.祖国的山河一年四季美景如画,图2中的描述属于凝华的是
\

\
4.下列数据中最接近实际的是
A.台灯的额定功率约为500 W           B.手机正常工作时的电流约为10A
C.人体的平均密度约为1.0×l03kg/m3     D.光在真空中的传播速度约为3.8×108km/s \
5.福州市投放了150辆以天然气或汽油作为燃料的双燃料汽车,为改善福州市的空气做了很大的贡献,以下说法正确的是     
A.燃料的热值越大,燃烧时放出的热量越多
B.天然气是清洁能源,它是可再生能源
C.在压缩冲程中,燃料混合物的温度升高,内能增大
D.汽油与天然气相比,燃烧时汽油对环境的污染较小
6.2013年春晚运用了许多新技术,其中全息LED屏幕可以任意升降,组合成绚烂唯美3D的画面。LED屏幕主要利用发光二极管工作的。发光二极管的主要材料是
   A.导体;      B.半导体;     C、超导体;        D、纳米材料
7.关于安全用电,下列说法正确的是
A.使用三孔插座是为了使用方便     B.三脚插头内有一根导线与用电器的外壳相连
C.保险丝烧断一定是发生了短路     D.高压警示牌提醒我们安全电压为220V;
8.高速公路收费站用如图3所示的计重秤,对过往的超载货车实施计重收费。以下几种有关计重秤的说法中,正确的是
A.称重表相当于一个电压表           B.电路中的R1是没有作用的 
C.当车辆越重时,称重表的示数越小   D.当车辆越重时,称重表的示数越大\
9.如图4是一种“吸盘式”挂衣钩.将它紧压在平整、光洁的竖直玻璃上,可挂衣帽等物品.它主要部件是一个“橡皮碗”,下面有关的说法错误的是
A. 被玻璃“吸”住后,皮碗内的气压小于大气压
B. 皮碗内挤出的空气越少,吸盘贴在玻璃上就越紧
C. 皮碗与墙壁之间的摩擦阻止衣物向下的移动
D. 不能紧贴在粗糙的水泥墙壁上,粗糙面与吸盘之间有缝隙、会漏气
10.如图5甲所示,邻居大叔正吃力地把一重物送往高台,放学回家的小翔看见后急忙前去帮忙。他找来一块木板,搭成图乙所示的斜面,结果非常轻松的把重物推到了高台上。关于这两种方法,下列说法正确的是:
\
A.甲乙机械效率是一样的    B.大叔克服重力做功较多
C.两人做同样多的有用功    D.小翔做功的功率要大些
11.关于图6所示电与磁部分四幅图的分析,其中正确的是
\\
\
A.图6(a)装置不能检验物体是否带电   
B.图6(b)装置说明只要导体在磁场中运动,就会产生感应电流
C.图6(c)实验说明通电导线周围有磁场   
D.图6(d)是利用电流的磁效应工作
12.如图7所示的是2012年11月25日国产歼-15舰载机首次在“辽宁号”航空母舰上成功起降的情景,下列有关的物理知识中,说法错误的是
A、飞机起飞时,尾部高速喷出燃气,说明力的作用是相互的;
B、飞机起飞后,航母底部受到的压强变小,但浮力不变;
C、飞机降落时,不能立即停止下来,是由于飞机有惯性
D、飞机降落时,被阻拦索挂住立即停下来,说明力能改变物体的运动状态。
13.图8电路中,电源电压保持不变。当电键S闭合后,电路正常工作,一会儿后,灯L熄灭,电压表V的示数发生变化。若电路故障只发生在电阻R或小灯L上,则故障是
\
A 电压表的示数变大时,一定是灯L断路    B 电压表的示数变大时,一定是电阻R断路
C 电压表的示数变小时,一定是灯L短路    D电压表的示数变小时,一定是电阻R短路
14.如图9,在四个相同水槽中盛有质量和温度都相同的水,现将电阻丝R1、R2(R1<R2),分别按下图的四种方法连接放入水槽,并接入相同电路。通电相同时间后,水温最高的是:
\
二、填空、作图题(本大题有7小题,每空1分,共20分)  
15.如图10,上海市的天空出现“三个太阳”和“倒挂的笑脸彩虹”的奇景。专家解释说,奇景是在太阳光射到高空半透明云层里柱状的冰晶,使太阳光发生____射,形成太阳的___(填“实”或“虚”)像。太阳能是来源于太阳内部发生的核____变,是_____再生的能源。
16.校车安全备受社会关注。(1) 校车的外部容易接触到的部位不得有锐边、尖角、毛刺,这是为了减小对乘员的________;(2)校车专用“防滑轮胎”是为了增大__________。
\
17.如图11,我国“蛟龙号”潜水器成功地完成了7km的海试任务。蛟龙号的总质量是22吨。(1)、7km深处的蛟龙号受到海水的压强是______Pa。(ρ海水=1.0×103kg/m3) 
(2) “蛟龙号”潜水器在深海中悬停时,它受到的浮力是__________N;任务完成后,蛟龙号上浮的过程中,它受到的浮力将_____(选填:增大/减小/不变)。
18.冰糖葫芦是小朋友喜爱的零食,制作时,先将洗净的山楂穿在竹签上,然后将适量的白糖放入锅中加热,利用_______的方法增加了糖的内能,待白糖_____(物态变化名称)成液态的糖浆,再在山楂上蘸上糖浆,等糖浆______(“吸收”或“放出”)热量_____(物态变化名称)成固态,这样就做好了冰糖葫芦。
19.如图12电子式单相电能表已经广泛使用,其重要参数imp/kW·h表示用电1 kW·h耗电指示灯闪烁的次数。如图11所示小明家的电能表,他家中同时工作的用电器的总功率不能超过         W.他家的电能表标明“6400imp/(kW·h)”,当某用电器单独接在该表上,用电器正常工作5min,指示灯闪烁了640次,则5min内该用电器消耗的电能为__________kW·h,该用也器的额定功率为__________W。
\
20.如图13可知,用滑轮组将一个重为5N的物体匀速提升10cm,由
图可知,绳端受到的拉力F为_N,滑轮组的机械效率η为_ __ 。
21.请你按照下列要求作图
(1)画出松手后铁锁运动到图14所示的A位置时,铁锁受到重力的示意图。
(2)请你完成如图15的光路图. 
(3)如图16所示,根据小磁针静止时的指向,标出电源的正极及通电螺线
管的N极位置.(4)请画出图17中拉开右边眼镜脚的力F的力臂.
\
三、简答题:(本大题3分)

22.如图18所示,在火车站或地铁站站台上,离站台边缘1米左右的地方标有一条黄色的安全线,人必须站在安全线以外候车。请分析,为什么当火车驶过时,如果人站在安全线以内,即使与车辆保持一定的距离,也是非常危险的?
\
 四、计算题(本大题有3小题,共19分)
23.(5分)2013年3月,日本成功分离出可燃冰。1m3的可燃冰可在常温常压下可分离出164m3的天然气。已知天然气的热值为3.6×107J/ m3。燃烧164m3的天然气使16吨的水温度从20℃升高到100℃。求:(1)水需要吸收热量?(C水=4.2×103J/kg·℃))
(2) 完全燃烧164m3的天然气,则可以放出多少J的热量?天然气的燃烧效率是多大?
24.(6分)福州市正在建地铁1号线,引起了全市人民的关注。某中学综合实践活动小组的同学们收集到地铁机车和公交汽车在某段运行区间内的相关数据如下:

 ××型号地铁机车  地铁电力机车
功率106W
平均速度
60 km/h
 牵引力
5×104N
额定载客量500人
 ××型号公交汽车    燃油热值
4×107 J/kg
平均速度
15 km/h
 牵引力
3000 N
 额定载客量40人

(1) 公交汽车的质量约为2000kg,静止时轮胎与水平路面接触的总面积约为0.2m2,求:静止时公交汽车对路面的压强有多大?
(2) 甲、乙两地铁站相距1.8 km,地铁机车运行需要多长时间? 机车运行时,牵引力做了多少J的功?地铁机车运行时消耗多少电能? 地铁机车的效率是多少?
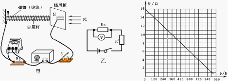
25.(8分) 图20甲是某班科技小组设计的风力测定装置示意图,图乙是其电路图。电阻R/随风力变化关系如图丙所示。已知电源电压恒为9V,定值电阻R0=2Ω,电压表量程为0~3V。使用该装置测定风力,则(1)电阻R/的阻值随风力的增大怎样变化?  
(2)求无风时电压表的示数。 (3)如果保持电压表量程不变,且只能在电路中增加一个电阻R ,使该装置能测量的最大风力增加到900N,计算电阻R的阻值,并说明其连接方式。   (4)计算改装后该装置电路总功率的变化范围。(计算结果保留一位小数)
\
\
五、实验、探究题(本大题有7小题,共30分)
26.如图21甲图新铅笔的长度是___cm。
27.(4分)小华的妈妈从市场买回色拉油。小华想知道这种色拉油的密度,于是她就进行了如下的探究:
(1)将托盘天平放于水平的桌面上,移动游码至标尺左端“0”刻度处,发现指针静止时的位置如图22甲所示,则应向________(选填“左”或“右”)调节平衡螺母使横梁平衡。
\
(2)小华进行了如下的实验操作:A、用天平称出空烧杯的质量m0=20g;
B、用天平称出烧杯和剩余色拉油的总质量m1=27g;  C、往烧杯中倒入适量的色拉油,用天平称出烧杯和色拉油的总质量m2,右盘所加的砝码和游码位置如图22乙所示,天平平衡。  D、把烧杯中一部分色拉油倒入量筒,如图22丙所示,测出这部分色拉油的体积V;
小华同学的操作中:一个不必要的步骤是________;为了实验误差最小,操作步骤的正确顺序是_____________________;该色拉油的密度为______ g/cm3。
28.(5分)在“观察水沸腾”的实验中:
 (1)请你指出图23甲中实验操作错误之处是   。
\
 (2)改正错误后,继续实验。某时刻温度计的示数如图乙所示,则此时水的温度是       ℃;
(3)当水温升高到90℃时,每隔1min记录一次水的温度,直到水沸腾后再持续几分钟为止。并根据记录的数据,画出如图丙所示的图像;
根据图像中可知:①水的沸点是        ℃,由此可判断出当时水面上方的气压     
        (选填“>”、“=”或“<”)1标准大气压。
29.(6分)小乐和小霞分别探究“平面镜成像特点”和“凸透镜成像规律”,实验装置图分别如图甲和图乙所示:
\
(1)如图甲所示,小乐在探究“平面镜成像特点”的实验中:
①实验中,M是___(选填:平面镜/玻璃板);
②为探究像与物的大小关系,对选取的两只蜡烛的要求是 _____________;
(2)如图乙所示,小霞在探究“凸透镜成像规律”的实验中, 将蜡烛、焦距等于10cm的凸透镜、光屏放在光具座上:①当蜡烛到凸透镜的距离为15cm时,移动光屏,直到光屏上成清晰的像,该成像规律在实际生活中的应用是______;
②当蜡烛到凸透镜的距离为12cm时,移动光屏,直到光屏上成清晰的像,此时观察像的大小,与②中所成像的大小相比变_______;
③其中的一次实验情景如图24乙所示,为了得到清晰的像,光屏应向_______(选填“远离”或“靠近”)透镜的方向移动.④当蜡烛到凸透镜的距离为5cm时,为观察凸透镜成像特点,小霞应从图24乙中凸透镜的________(选填“左”或“右”)侧进行观察.
30.(8分)在“测量定值电阻阻值”和“测量小灯泡电功率”的实验中:
(1)婷婷要测量定值电阻的阻值,请你将如图25乙的电路用笔画出的线连接正确(要求:滑片P向右移动时,通过电阻R的电流变大,导线不得交叉)
实验开始前,要将变阻器的滑片P移至     端。婷婷闭合开关,发现电流表有示数,电压表无示数,则出现该故障的原因是          (写出一种即可);
(2)她排除故障后,闭合开关,移动滑动变阻器的滑片到某一位置时,观察到电流表的示数为0.2A,电压表示数如图25甲所示,则定值电阻阻值为    Ω。她仅把这一次实验测得的阻值作为最后的结果,同组的小明认为这种做法不合适,其不合适的理由是     。
\
(3)测出电阻后,同组的小明将电路中的定值电阻换成了一个额定电压为2.5V的小灯泡,来测量小灯泡的电功率,闭合开关后,调节滑动变阻器滑片P,使电压表示数为 
       V时,小灯泡正常发光,如果此时电流表示数如图25丙所示,则小灯泡的额定功率是        W。
\
(4)另一实验小组同学,按正确方法完成实验后,分别绘制了“定值电阻”和“小灯泡”的U—I图像如图26所示,则表示“定值电阻”的U—I图像的是          (填“甲”或“乙”),这样判断的依据是     。
31.(6分)小明骑自行车上学途中,要经过一段上坡路。他想:车子冲上斜坡的最大距离可能与哪些因素有关呢?(1)猜想:①猜想1:车子冲上斜坡的最大距离可能与车子上坡前的速度有关。从能量转化看,车子上坡前的速度越大,它的动能也越大,上坡过程中转化成的___________就越多。②猜想2:车子冲上斜坡的最大距离可能与车子的质量大小有关。③你的猜想是:车子冲上斜坡的最大距离可能与____有关。
\
(2)为了探究“车子冲上斜坡的最大距离是否与车子的质量大小有关”,小明将光滑水平面平滑的长木板以一定的倾角θ固定,左边放置一个固定在水平面的光滑斜面,如图所示。
①实验中如果以正方体物块代替车子,则要求物块的_____________相同,________不同(“质量”、“材料”或“底面积”)
②实验时为了让不同的正方体物块以相同的速度冲上长木板,应该使物块从斜面的______高度处开始由静止滑下。③下表是小明记录的实验数据: 

实验次数 1 2 3 4 5
物块质量m(g) 20 30 40 50 60
物块冲上斜坡的最大距离s/cm 30 30.5 29.8 30 31

分析可知:车子冲上斜坡的最大距离可能与车子的质量大小___________
(4)若把上图中的长木板放水平,添加毛巾、棉布、小钢球等器材,利用本实验装置还可以探究什么问题:______________________________(写一个问题即可)


  • 上一个文章:
  •  


    | 关于我们 | 联系我们 | 版权申明 | 网站导航 |
    琼ICP备12003406号